HEIAN            
 
产品信息
  予加工
    NC镂铣机
    开榫机
    CAD/CAM
    CADPRO-W
    楼梯模式软件
    HEIAN-ProW
    技术
    刀具
     
支持
    售后服务
     
     
     
     
产品信息CAD/CAM>CADPRO-W
 
 

CADPRO-W

 
CADPRO-W由作图软件CADPRO-D(Design)和编辑软件CADPRO-E(Editor)两个软件组成。可进行从作图,到NC程序生成,编辑,传送等一系列操作。
 
 
 

CADPRO-D

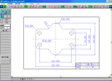
CADPRO-D具有直线,圆弧和其他多种作图功能。可指定各线段的加工刀具补偿和加工方向,生成NC程序。
 
 
 
除了直线,圆弧和其他丰富的作图功能之外,还有镜面,扩大缩小,一笔写等编辑功能,画面扩大缩小的显示功能。
进入加工和退出加工的方式可以选择,设定简单。还有粗加工指定,钻孔顺序最优化等CAM功能。
通过变换处理,可输出包括补偿,主轴启动指令,回归原点等完整的加工数据。  

 

CADPRO-E

CADPRO-E可读入由CADPRO-D生成的NC程序,并进行编辑,绘出程序编辑的结果,可边观测轨迹边进行程序编辑。
 
 
 
可绘出NC程序的加工形状。不仅可确认NC数据,还可进行刀具补偿路径的显示及逐行显示。
通过RS-232C口可与数控系统,数据传送装置等实现数据的输入输出(传送功能)。  

 

 
     
             
  Heian Corporation